Skip to content
View in the app

A better way to browse. Learn more.

300ZX Owners Club

A full-screen app on your home screen with push notifications, badges and more.

To install this app on iOS and iPadOS
  1. Tap the Share icon in Safari
  2. Scroll the menu and tap Add to Home Screen.
  3. Tap Add in the top-right corner.
To install this app on Android
  1. Tap the 3-dot menu (โ‹ฎ) in the top-right corner of the browser.
  2. Tap Add to Home screen or Install app.
  3. Confirm by tapping Install.

PCV Removal

http://twinturbo.net/net/viewmsg.aspx?forum=technical&msg_id=908813

ย 

Found this link posted by lymon a while back while searching but wondered if anyone had some further thoughts. From reading the thread it seems duffman had a few reservations (and clearly im not clever enough to know whos right..)

ย 

Just ask as my pcvs need changeing and was wondering about taking this route..

  • Replies 59
  • Views 3k
  • Created
  • Last Reply

Top Posters In This Topic

Featured Replies

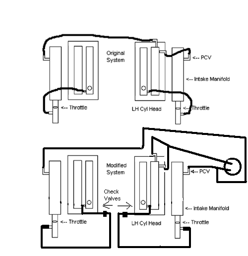
Right had a good look at this now and will re-do the diagram. made some school boy errors there but sorted it out in my head now.

PCV-1.gif

ย 

That should solve it as the check valves will stop stuff getting pushed into the inlet when on boost but this will also stop any unmetered air getting into the system. The catch tank should act as a seperator and only pass air back to the pcv, will do some testing over the weekend on this sytem and let you know.

  • 4 weeks later...

Sussed it :D

ย 

Blank both PCV valves. Blank the passenger side PCV valve feed from the rocker cover. Leave both front feeds intact. Use the rear exhaust rocker cover feed (feeds the drivers side PCV via a pipe across the rear of the engine) to feed the catch can. Tee in the other catch can line to the balance bar feed from the idle valve assembly via a check valve.

ย 

Kerrrrrching :D This way you keep the positive purge on the system :)

ย 

Anyone want to try this?

I have almost finished plumbing in my set-up above just waiting for a couple of check valves and some blue hose.

Anyone want to try this?

ย 

No! :D

Is this the setup you used on your final visit to the Pod? ;) :rofl:

No! :D

Is this the setup you used on your final visit to the Pod? ;) :rofl:

ย 

LOL cheeky twat :tongue: All I've done is provide a single supply line for the catch can by blanking one of the exhaust rocker cover feeds. Trouble is you can't just feed one side of the plenum via the existing PCVs, so you would need to T the return from the catch can to feed both banks (otherwise one side will run rich and the other lean). By feeding the balance bar you provide both banks with an equal supply. Using a T-piece to feed OEM valves would require restrictors in both hoses to ensure you get a balanced supply to both banks ;)

ย 

That doesn't make much sense really :rofl: I know what I mean LOL

  • 1 year later...

I've relocated mine to the top of the rocker covers as per the above link.

I binned my pcv valves and everything else connected to the plenum/throttle bodies that was not needed (right or wrong :wack:), I never did get round to fitting catch cans but I have no oil coming out of any of the open breathers, no smoke or back pressure so far, that's after a years abuse, Fooked turbo's aside

Join the conversation

You can post now and register later. If you have an account, sign in now to post with your account.

Guest
Unfortunately, your content contains terms that we do not allow. Please edit your content to remove the highlighted words below.
Reply to this topic...

Recently Browsing 0

  • No registered users viewing this page.

Important Information

Terms of Use

Account

Navigation

Search

Search

Configure browser push notifications

Chrome (Android)
  1. Tap the lock icon next to the address bar.
  2. Tap Permissions โ†’ Notifications.
  3. Adjust your preference.
Chrome (Desktop)
  1. Click the padlock icon in the address bar.
  2. Select Site settings.
  3. Find Notifications and adjust your preference.