Skip to content
View in the app

A better way to browse. Learn more.

300ZX Owners Club

A full-screen app on your home screen with push notifications, badges and more.

To install this app on iOS and iPadOS
  1. Tap the Share icon in Safari
  2. Scroll the menu and tap Add to Home Screen.
  3. Tap Add in the top-right corner.
To install this app on Android
  1. Tap the 3-dot menu (⋮) in the top-right corner of the browser.
  2. Tap Add to Home screen or Install app.
  3. Confirm by tapping Install.

300zx aerial problem

Guys, my aerial was working a few months ago but now seems to stopped working,i have checked the on wire goin to the aerial and there seems to be no power,guys is there a fuse for the aerial or does anyone know what might be wrong,Thanks

Featured Replies

Hi it could just be stuck does happen, it gets a signal from the stereo. Try switching stereo on go to the boot listen for any noise, if you can hear it working pull up on top of it.

2004 BMW Z4 30i
1991 Nissan 300zx TT Project

2002 Porsche C2 996 3.6  Witter off 😭

1995 Nissan 300zx TT Crashed 🥲

1997 Jaguar XK8 Scraped ☹️

Could be the control relay. There is a little off-white box, about the sized of a cigarette pack, behind the RH boot trim. I seem to remember having to replace the one in my old red Zed....

I have something to say............ It's better to burn out than to fade away..... :tt2:

  • Author
44 minutes ago, RichardS said:

Could be the control relay. There is a little off-white box, about the sized of a cigarette pack, behind the RH boot trim. I seem to remember having to replace the one in my old red Zed....

Mate is there any way to test it?

22 hours ago, sheazx said:

Mate is there any way to test it?

I'm not sure TBH... If no power is getting to the aerial, and you've tried the fuse, then apart from a bad live feed out of the head unit, there's not much else to check.

I have something to say............ It's better to burn out than to fade away..... :tt2:

On 22/04/2020 at 08:34, sheazx said:

Guys, my aerial was working a few months ago but now seems to stopped working,i have checked the on wire goin to the aerial and there seems to be no power,guys is there a fuse for the aerial or does anyone know what might be wrong,Thanks

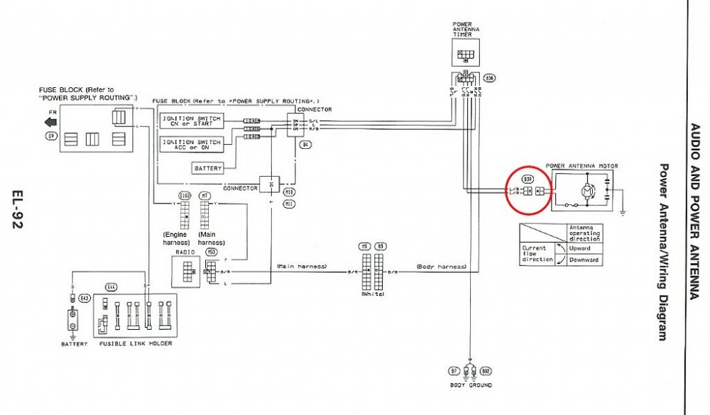
Power only gets applied to the aerial when the Power Timer Amplifier wants the aerial to go up or down. It does so by changing the current flow direction to the aerial. If you

hook it up to a 12v battery and it goes up, then switch the leads to make it go down. Disconnect harness as circled below. For safety put an inline fuse in the +ve test lead. If

the motor works then the problem is further up the circuit.

2020-04-25_105440.thumb.jpg.2c5448d7f21095c746adb3189e151f74.jpg

Project 1547 - Out of the Blue

She's so fine, there's no tellin' where the money went - Simply irresistible.

  • Author

got it working,was a corroded resister in the relay,broke up a old power blocked and soldered it in

Join the conversation

You can post now and register later. If you have an account, sign in now to post with your account.

Guest
Unfortunately, your content contains terms that we do not allow. Please edit your content to remove the highlighted words below.
Reply to this topic...

Recently Browsing 0

  • No registered users viewing this page.

Important Information

Terms of Use

Account

Navigation

Search

Search

Configure browser push notifications

Chrome (Android)
  1. Tap the lock icon next to the address bar.
  2. Tap Permissions → Notifications.
  3. Adjust your preference.
Chrome (Desktop)
  1. Click the padlock icon in the address bar.
  2. Select Site settings.
  3. Find Notifications and adjust your preference.