Jump to content
View in the app

A better way to browse. Learn more.

300ZX Owners Club

A full-screen app on your home screen with push notifications, badges and more.

To install this app on iOS and iPadOS
  1. Tap the Share icon in Safari
  2. Scroll the menu and tap Add to Home Screen.
  3. Tap Add in the top-right corner.
To install this app on Android
  1. Tap the 3-dot menu (⋮) in the top-right corner of the browser.
  2. Tap Add to Home screen or Install app.
  3. Confirm by tapping Install.

Got an ABS fault code, which turned out to be front right wheel sensor.

These are supposed to just undo the retaining bolt and slide the probe out of the hub, about 25mm of probe I think?

But I guess 10 years of crud build up and heat cycle means I can't get it out, and the electrical connector part has broken now as well meaning nothing to pull it out with by hand really.

 

The probe is sticking out about 5mm, but if I clamp with pliers or grips too much that will eventually wear down to nothing as its plastic.

I had thought about a self tapper, but not sure I can get it started without pushing the probe further in if it starts moving, and possibly giving myself more ball ache having to remove the whole hub assembly and take it apart?

 

I could maybe heat the self tapper up and melt it into place with a couple of turns and cool it off before pulling?

 

Anyone got any tips or experience having to do this before?

  • Replies 27
  • Views 2k
  • Created
  • Last Reply

Top Posters In This Topic

Posted Images

Featured Replies

May be caliper and disc off and you might be able to use a drift to bang it out, depends on the orientation in the hub i guess, or burn the bugger out at least the plastic cover will melt, but chances are you could melt the sensor into the hole, so more work. Drill it out but careful of the reluctor ring getting a tooth damaged.

Tried searching the net but not alot of useful info for the Tuareg

Pretty sure my brother drilled one out last year. it fell to pieces pretty quickly and was then easy.

 

Does it stick out the sensor end? They're not threaded in right? Whack it!! :smash:

  • Author

I am not sure I will be able to see the end of the sensor even with the disk off Graham, it seems to be inside the hub?

It looked like I would have to remove the drive shaft to be able to see the end of it, but I am not completely sure.

 

It sticks out slightly from the connector end Chris, where the connector is now broken off. If I whack it, it will disappear inside the hub I think.

It's definitely not threaded, just slides in.

 

Will be having another go at it Saturday, so have until then to draw up a plan, or entice someone over with the promise of tea and cakes, :lol:

Yea I meant whack it from the other end, but if you can't get to it without taking the driveshaft out... I would definitely just drill it then, once the center falls out it will be easy. Just put some tape round the drill bit at (or before) the max depth so you don't go too deep and damage the driveshaft.

  • Author

i was worried about any part of it falling into the hub? if it loosens off then drops inwards before i can pull it out?

 

being nothing like my day job, i can only worry about the implications of something going wrong.. :lol:

 

I will take another look before i start drilling etc, as i might have not pictured the whole thing properly, but thats how it looked.

The abs ring is around the end of the shaft under the disc/hub, i noticed taking the disc and bearing hub off together on my coupe i can see the abs sensor clearly, so you might have to take the centre hub nut off under the cap to slide the disc and bearing off together

I would not expect the sensor to sit "in" the hub, I would expect it to be "through" the hub if you see what I mean, so it wouldn't matter if it fell in it would just go out the hole the other side. But I don't have any knowledge of this particular car so check that before you do anything!

  • Author

yes, its the "out the other side" but i am worried about Chris, as it doesn't seem there is an "out" unless i take it apart.

 

but like i said, i will have another look with fresh eyes on saturday, and maybe a take a couple of pics if i am still worried about it disappearing, lol.

 

maybe it would be more obvious if i take the disk off, it might expose where the end of the sensor is.

 

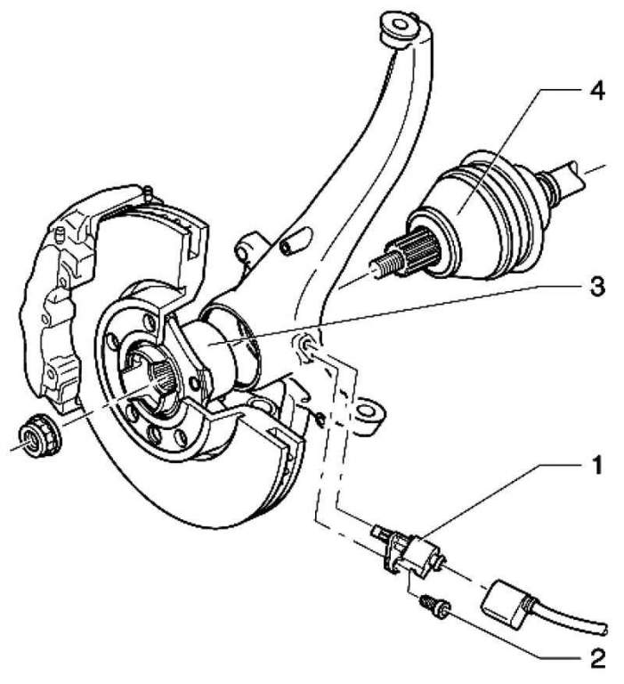
i have found a diagram, part 1 is the sensor

 

851.jpg

Edited by craig
found a diagram

Ah right looks more enclosed than I was thinking. In that case hub nut off, remove lower wishbone from hub and take the driveshaft out to get access.

 

But personally I would be tempted to try and get it out some other way first to try and save me the time. WD40, heat and twist it by the plastic end probably! But that's just me

  • Author

thanks Chris, that "some other way" is the method i am aiming/looking for :lol:

 

the plastic end sticking out is about 5mm long, since it is broken where the probe attaches underneath the retaining nut collar, so the connector and collar are not there now (or will be removed once i cut the final internal cable holding them together.

 

i will try clamping around whats left, i have some small surgical locking clamps which look like they will attach easily, and then try heating up a long thin self tapper to screw in to the end of whats left of the probe i think.

 

Could also try heating up the hub a bit, if that helps.

 

am sooo looking forward to this saturday job.... :no:

  • Author

Got a screw into it, wouldn't budge, screw broke off inside. Grr.

Managed to melt some of the remaining plastic to get some grips on and remove the broken screw thread.

Drilled some of it out, dug some out, broke a drill bit in there too, and still not got all of it out. Grr.

 

Just absolutely destined to fail on this. :cursing:

 

Now to decide whether to start taking the whole assembly off, track rod end, calipers, brake line, mounting bolts, wheel hub, or just put the wheel back on and take it to a garage and let them fix my **** up, assuming it still drives ok.

 

The fault makes it keep locking the brake when trying to read the sensor, but not sure if I have pushed anything further into the hub now.

If you take the abs fuse out the brakes should act normally, they do on my Hyundai coupe anyway

Wow sounds like a pig! Not sure what a garage is gonna do that you can't do yourself though, just depends if you wanna put the effort in

  • Author

i run out of knowledge and ability really quickly when something doesn't go to plan though Chris :lol: plus i only have weekends.

 

like, what do i do if the track rod end just starts to spin when i try and undo it, without having a bunch of other tools that i dont own.

 

here is a pic of progress so far....

 

I think the "hole" turns into a "slot" further in, and i think i have reached that point.

i think i have also now got a metal element of the sensor, rather than just plastic casing, to try and drill into

 

vw1.jpg

These sensors do like to stick in the hubs, breaking the sensor up in the hole is really your only option, the sensor pick up is a magnetic ring on the back of the wheel bearing so you shouldnt damage that. Just takes a bit of time and patience. Clean the hole up once removed and put a bit of anti seize grease on the new sensor.

 

I do hope its the drivers side your doing as your pic is ref the passenger or left side.

  • Author

haha yes, the diagram was left side, but the photo and problem is the driver side, thanks Chris(bas).

 

If the remaining part of the sensor is now effectively through the slot, and the inside part is no longer there, how is it still "hanging on"?

 

If while carefully drilling through the slot and into what is left of the sensor, part of the sensor falls into the hub void, do i need to worry about that, or will it eventually works its way out of the 1-2 mm gap around the drive shaft?

The hole is round all the way i believe, the sensor has a rectangular ferrite core wound with copper wire, u do need to try and not push any material down and wedge it against the mag pick up ring, ideally pull the driveshaft back out from the hub and give yourself some room to work.

Fyi for spinning ball joints I used to either put a jack underneath them if they faced upwards so the suspension is pushing down on it, or a G-clamp if they were facing downwards to get some pressure on the ball and stop it spinning. Now I use an impact gun on a compressor!

 

Like Chris says I would try taking the driveshaft out first and seeing what you've got. You might be fed up of my "advice" though :-P

  • Author

thanks Chris, that's the bit i was hoping to avoid, but seems like not much choice really.

 

i will then have to work on removing more of the previously untouched nuts and bolts, and possible issues with that, which is more problem than my experience can cope with.

 

may have to find a way to get my daughters boyfriend onto the problem, i am sure i can find some leverage with him :lol:

thanks Chris, that's the bit i was hoping to avoid, but seems like not much choice really.

 

i will then have to work on removing more of the previously untouched nuts and bolts, and possible issues with that, which is more problem than my experience can cope with.

 

may have to find a way to get my daughters boyfriend onto the problem, i am sure i can find some leverage with him :lol:

 

Any progress craig?

  • Author

finally got the rest of the old sensor out.

put the new sensor in.

 

scan clear scan and codes gone.

drive down the road, a different error message on same wheel and sensor.

 

'sensor display no indication' so i presume not reading off the ring? or some

other fault to track down. sigh.

  • Author

ran some live data capture, and the sensor provides wheel speed values. so at least that is working, and presumably proves the ring is fine too.

 

had another search around, and the abs controllers are very prone to failure on quite a lot of vw models.

 

ao am presuming now that the controller input for that wheel, or a specific part of the loom is at fault.

 

the way my luck goes, been a lifelong affliction, :-/

ran some live data capture, and the sensor provides wheel speed values. so at least that is working, and presumably proves the ring is fine too.

 

had another search around, and the abs controllers are very prone to failure on quite a lot of vw models.

 

ao am presuming now that the controller input for that wheel, or a specific part of the loom is at fault.

 

the way my luck goes, been a lifelong affliction, :-/

 

What were the exact codes pre and post repairs craig and what diagnostic system are you using?

Join the conversation

You can post now and register later. If you have an account, sign in now to post with your account.

Guest
Unfortunately, your content contains terms that we do not allow. Please edit your content to remove the highlighted words below.
Reply to this topic...

Recently Browsing 0

  • No registered users viewing this page.

Important Information

Terms of Use

Configure browser push notifications

Chrome (Android)
  1. Tap the lock icon next to the address bar.
  2. Tap Permissions → Notifications.
  3. Adjust your preference.
Chrome (Desktop)
  1. Click the padlock icon in the address bar.
  2. Select Site settings.
  3. Find Notifications and adjust your preference.